Product Show

STA200


Model Material Thickness Seat Height Back Height Seat Angle Back Angle Slide Back Lock
STA200 Aluminium -  Adjustable Adjustable
5 positions
Tension Synchro Anti-Shock Package P.Dimension G.W. Other
Adjustable Available Available 8pcs/ctn 40×38×37cm
26kg


Brief Introduction:


Push/pull the lever to lock/unlock the back angle, swing to adjust seat height, rotate the below knob to adjust spring tension.




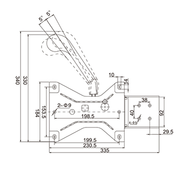
Product and Install Dimension


Hide

Wechat


Wechat Code

Tel

86-757-86502277
HotLine